35 руб.
/
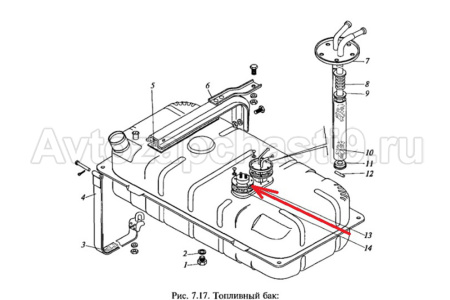
Прокладка бензодатчика в сборе
Артикул: 12-1104022К
Производитель: Аналог
Артикул: 12-1104022К
Производитель: Аналог
Общая стоимость
руб.
Оплата за товар производится после согласования срока и цены доставки
Стоимость и время доставки рассчитывается после предварительного оформления заказа

